納入実績
Case Study
ダイレオジェットバスシステム
『うめきた温泉 蓮』
業種/温浴施設・その他納入システム・機器/ジェットバスシステム施設/健康増進施設

「天然温泉やインフィニティプール、サウナなどを備えた温浴エリアほか、
運動、食事、メディテーション、美容の分野を組み合わせた「ウェルネス・ウェルビーイング」をコンセプトに、多彩なサービスを提供しています。
このたび、2025年3月21日にオープンした、関西最大級6,000㎡の健康増進施設
『うめきた温泉 蓮』様に【ダイレオジェットバス・アクアジム】を導入いただきました!🛁
今回は特に【ジェットバスシステム】 についてご紹介いたします。
ダイレオジェットバスシステムとは
公衆浴場やスーパー銭湯、ホテルやフィットネスクラブ等の大型施設や、ジャグジー浴槽等に設置している有名なアトラクション装置の一つです。
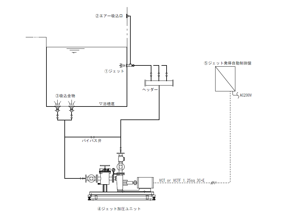
◆仕組み◆
空気が混ざった加圧水が勢いよく身体に当たり、気泡がはじけることでマッサージ効果を生み出します。ジェットバスシステムは、ジェットノズルの他に浴槽水を循環させるポンプユニットや制御装置、循環用の金物で構成されています。
ジェットバスを導入する際の重要なポイントを、以下の3点にまとめました。
ジェットバスシステム計画における3つのポイント
① ジェットポンプポンプの選定は「ジェットノズルの必要流量」で実施し、必要圧力0.2MPaが供給出来るように実施します。弊社ではポンプラインナップとして100L/min~600L/minまでの6種類を用意しています。
② ノズル一般的にはどのようなシステムにするかを決めてノズルを選定する方法となります。
水深が600㎜の風呂には小型ノズルを複数設置、水深が600㎜以上になると、大型ノズルや多連式ノズルなどが採用されるケースが多いです。
ジェットノズルの種類や数量に合わせて、エアー吸込金物も「大きさ」と「数量」が変わってきます。

豊富な導入実績に基づいた最適なご提案を
当社は、全国の温浴施設・福祉施設・ホテル・旅館・スポーツジム・医療施設など、多数の納入実績がございます。
これらの実績を通じて培ったノウハウを活かし、現場の状況やご要望に最適な製品提案を行っております。
ご検討段階での技術的なご相談も、ぜひお気軽にお問い合わせください。

👇tiktokにもUPしております♪👇




